螺紋刀具
—來自德國JBO
現代先進的制造加工對效率和成本控制有著越來越高的要求,但是落后螺紋加工方法制約了企業生產效率的提高。螺紋銑削加工作為更先進的加工方式受到用戶越來越多客戶的青睞。德國JBO公司長期專注于螺紋復合加工及檢測,在該領域內積累了豐富的解決方案。
一、多功能螺紋銑刀案例

產品特點
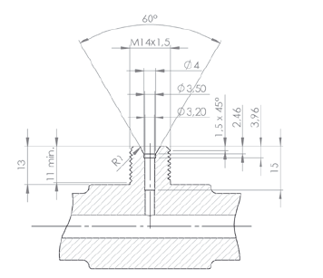
一把刀具同時加工:倒角、鉆孔、螺紋
加工時間縮短8″
提供螺紋加工表面
提高工藝可靠性

刀具:整體硬質合金螺紋銑刀
材料:鋁合金
轉速:n = 6.000 min-1
進給倒角:Vf = 1.200 mm/min
進給銑螺紋:Vf = 1.000 mm/min
加工時間:t = 9s
壽命 >50,000件
二、Shell Type 螺紋銑刀(外螺紋加工利器)

產品特點
跟進更快,縮短加工時間
6個獨立可換切削刃,提高刀具壽命
更好的螺紋表面
單件加工成本更低

刀具:Shell Type螺紋銑刀 GFG-WFE
材料:38MnCrVS6
轉速:n = 2.000 min-1
進給量(銑螺紋):fz = 0.05 mm
加工時間:t = 5s
壽命:24,000件
三、組合螺紋刀具

優點
模塊化結構:HSK-A63刀柄+螺紋銑刀+3個PCD刀片
加工時間縮短
模塊結構可以靈活調整

刀具:組合刀具
材料:AlSi9Cu3
轉速:n = 5.100 min-1
進給(鉆削):f = 0.35 mm
進給(平面):f = 0.1 mm
進給(銑螺紋):f = 0.12 mm
加工時間:t = 6s
壽命 > 40,000件
產品特點
更大的加工范圍
更高的加工效率
更好的加工表面
更小的切削屑問題

地址:北京市海淀區中關村紫金數碼園3號樓709室
網站:m.ad56888.com
電話:010-59796778
電郵:office@dailyaid.com.cn
傳真:010-62662785
郵編:100190
投訴電話:010-62006678
掃一掃關注我們
企業抖音號
電話:021-61170819/20-802
傳真:021-61170819
地址:上海市寶山區聯誼路398號1號樓137室
郵編:200431
電話:022-86570798
傳真:022-86570798
地址:天津市北辰區小街新苑路融創東岸名郡
電話:029-89195270
傳真:029-89195271
地址:陜西省西安市蓮湖區漢城路旭弘同德國際C座1418室
電話:028-84313165
傳真:028-84313165
地址:四川省成都市成華區玉雙路10號13幢1單元9樓35號(中國測試技術研究院內)
Tel: +86-10-5979 6778 ext 207
Fax: +86-10-6266 2785
Email: market@dailyaid.com.cn
電話:010-62662784
傳真:010-62662785
郵箱:office@dailyaid.com.cn